一杯茶论坛 全国兼职

產物中間

點石成金,芯系山東省
以后地位:首頁>產物中間

PL84051 40V5A同步降壓轉換器

供貨狀況:停產
閱讀次數:1632
產物范例:DC-DC
產物封裝:QFN5X5-32
產物價錢:¥征詢發賣職員
產物概況

36V, 5A Monolithic Step-Down Switching Regulator

1、Features

  • 5A continuous output current capability
  • 4.5V to 36V wide operating input range
  • 2V to 32 V wide output range
  • Integrated 40V, 11mΩ high side and 40V, 13mΩ low side power MOSFET switches
  • Dynamical programming of input current, Output current and Output voltage using PWM signal or analog signal
  • Adjustable Switching Frequency using resistor
  • Frequency dithering for good EMI performance
  • Comprehensive protection features including Output Short Protection (OSP), Cycle-by-Cycle input and output Peak Current Limit, thermal regulation, thermal shutdown, input UVLO, input OVP, output OVP etc.
  • Input or Output Average Current Limiting with stable CC loop
  • 5V/55mA low Iq LDO to power system MCU
  • QFN5x5-32 Package

2、Applications

  • Automotive Start-Stop Systems
  • Power Bank / Car Charger
  • Industrial PC Power Supplies
  • USB Power Delivery


3、Description

PL84051 integrates a high efficiency synchronous step-down switching regulator, which includes a 40V, 11mΩ high side and a 40V, 13mΩ low side MOSFETs to provide 5A continuous load current over 4.5V to 36V wide operating input voltage. PL84051 employs Constant ON time control. The switching frequency could be set to 150kHz, 300kHz, 600kHz or 1200kHz based on different resistor value between FREQ pin and GND pin. The device also features a programmable soft-start function and offers all kinds of protection features including cycle-by-cycle current limiting, input under voltage lockout (UVLO), output over voltage protection (OVP), input Over Voltage Protection, thermal shutdown and output short protection etc. PL84051 provides voltage control loop, constant current loop, and thermal regulation loop.
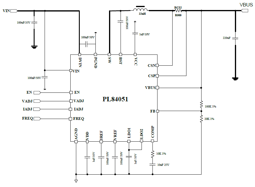
4、Typical Application Schematic5、Pin Configuration and Functions
84051a.jpg84051b.jpg


上一篇:PL86051 60V5A同步降壓轉換器

下一篇:PL56002 雙路恒流降壓節制器

采辦樣品

采辦樣品

微信掃一掃

微信接洽
前往頂部